Demultiplicator manual pentru robineti fluture performantaDemultiplicator manual cu lant pentru robineti fluture TTV
Demultiplicator manual pentru robineti fluture triplu offset
Manufacturer:
Uniunea Europeana
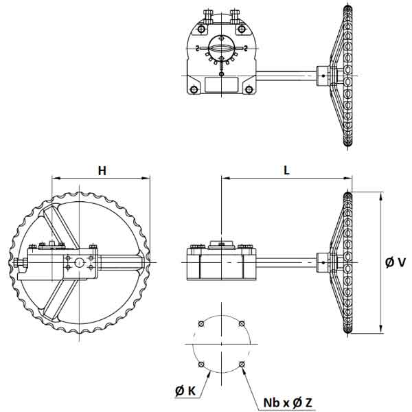
Cutie de viteze cu roată de mână din gama pentru robineti cu disc triplu decalat cu urechi filetate, siguranță la incendiu, termoficare, refrigerare industrială, construcții navale și aplicații geotermale
Marime: DN100 - DN300
Conexiune: ISO pad 5211
Specificatii:
Parametri:
Marime: DN100 - DN300
Conexiune: ISO pad 5211
Specificatii:
• Tip roata melcata
• Placă de montare directă ISO 5211
• Roată din otel turnat
• Arbore din otel carbon
• Indicator din otel turnat
Materiale: Corp din otel turnat • Placă de montare directă ISO 5211
• Roată din otel turnat
• Arbore din otel carbon
• Indicator din otel turnat
Descriere:
Cutie de viteze pentru robineti fluture cu triplu offset.
Specificatii :
• Montare directă pe suport de montare ISO 5211
• Pentru robinete fluture cu disc triplu decalat
• Mâner din oțel turnat
• Tijă din oțel turnat
• Cu indicator
• Pentru robinete fluture cu disc triplu decalat
• Mâner din oțel turnat
• Tijă din oțel turnat
• Cu indicator








