Indicator de nivel reflex din otel carbon RBF
DESCRIERE:
Indicatorul de nivel RBF cu sticla reflectorizanta este destinat indicarii vizuale imediate a nivelului de lichid dintr-un rezervor. Principiul de lucru se bazează pe difracția luminii printr-o prismă. În practică, pentru utilizator, partea lichidă va apărea scufundata, iar partea gazoasă strălucitoare. In construcție standard din oțel carbon, indicatorul de nivel se potrivește perfect pentru indicarea nivelului la cazanele cu abur până la 32 bar. Este echipat cu o sticlă borosilicată conform standardului DIN 7081 tip A. Indicatorul de nivel RBF trebuie conectat prin doi robineti de izolare NX. Racordarea robinetilor se face prin conducte mai netede Ø16 mm, permitand o reglare a distantei la centru.
Corp din oțel carbon. Sticla reflectorizanta din borosilicat tip B DIN 7081. Latime 34 mm. PS : 40 bar - TS : 239°C. Conexiune la supapele NX prin tub neted Ø16 mm.
SPECIFICATII:
Certificat 3.1: Da (opțional)
Material carcasa: Oțel carbon A105 (1.0460)
PS (bar): 40
TS max (°C): 239
Tubulatura: 16 mm
Perioada de garantie: 1 an
Distanta intre centru (mm): 575
Dimensiune: 2 x T5
Sticla tip: 2 x A5
GAMA DE APLICARE:
Presiune maximă admisă a fluidului: PS 40 bar până la 20°C
Temperatura maxima admisa a fluidului:TS 239°C cu sticla borosilicata
Utilizați pe abur saturat: 32 bar până la 239°C
REGULAMENTE ŞI STANDARDE DE CONSTRUCŢIE:
Element / Standard
Directiva echipamente sub presiune 2014/68 / Exclus
Dimensiunile sticlei / DIN 7081
Materiale din oțel / EN 1503-1
CONEXIUNI:
Nipluri netede ø16mm, lungime 60mm
DIMENSIUNI (mm) ȘI GREUTATE (kg):

MONTARE:
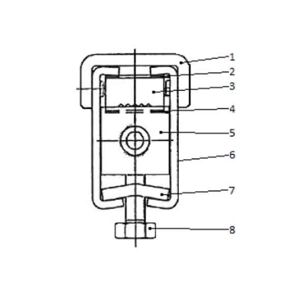
1 - Izolați sistemul de alimentare al indicatorului de nivel și scoateți carcasa indicatorului reflex din instalație.
2 - Pentru instalarea sticlei borosilicate, începeți prin a deșuruba în ordine șuruburile (componenta 8) ale carcasei și deșurubați șuruburile etrierilor de siguranță (componenta 1).
3 - Scoateți delicat ambele capace (componenta 6) din carcasă pentru a îndepărta geamul de reflexie (componenta 3) deteriorat, distanțierul superior (componenta 2) și articulația inferioară (componenta 4).
4 - Curăţaţi impactul garniturii (componenta 4). Este foarte important să utilizati o garnitură nouă pe suprafața absolut curățată. (Nu reutilizați niciodată garnitura veche).
5 - Montare succesiva :
- Garnitură inferioară (componenta 4), sticlă cu suprafața canelată în contact cu garnitura inferioara(componenta 3), distanțier superior (componenta 2),
Puneți înapoi în poziție atât capacele (componenta 6) ale carcasei, cât și etrierii de siguranță (componenta 1).
- Strângeți șuruburile etrierilor (componenta 1) de siguranță.
- Strângeți șuruburile inferioare (articolul 8).
- Nu strângeți niciodată corpul indicatorului de nivel într-o menghină, ci puneți-l pe o suprafață plană.
- Nu folosiți niciodată adezivi.
6 - Puneți la loc ansamblul in instalație și deschideți sistemul de alimentare.
ÎNTREŢINERE:
1 - Control vizual.
2 - Curățarea sticlei (cu o carpa).
PLAN INDICATIV DE SRANGERE:
Respectați cuplul de strângere indicat pentru indicatorul de nivel.
Pentru indicatorul de nivel TMF, această valoare a cuplului este de 37 Nm.
CERTIFICATE:








