Robinet cu bila din inox (otel inoxidabil), din 3 piese, cu ISO pad, NPT, ATEX
Dimensiune: DN1/4" până la DN2"
Conexiune: FEMALE BSP
Temperatura minima: -20°C
Temperatura maxima: +180°C
Presiune maximă: 63 bari (până la DN3/4")
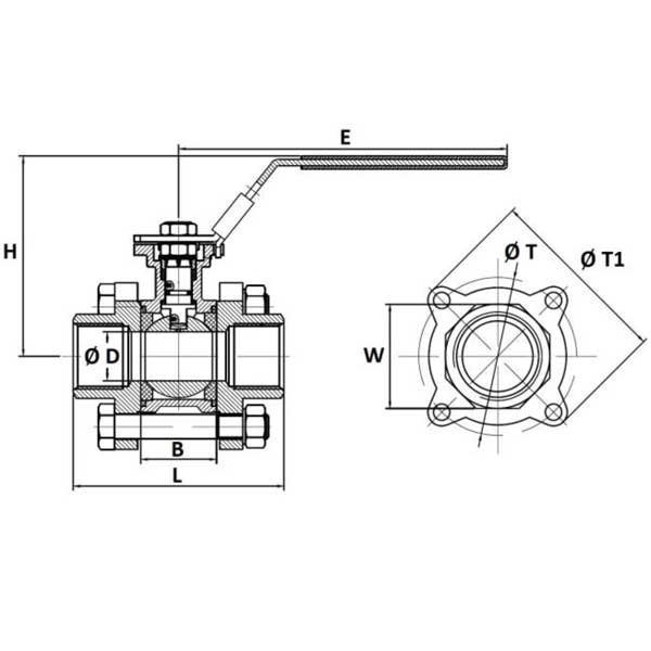
Specificatii: Pad de montaj ISO 5211, Corp din 3 bucati, Scaun din PTFE umplut cu sticlă 15%, Tija anti-explozie, Alezaj complet (trecere integrala), ATEX
Materiale: Oțel inoxidabil ASTM A351 CF8M
ROBINET CU BILĂ DIN 3 BUCĂȚI OȚEL INOXIDABIL, FEMALE NPT, cu ISO pad PN63
Robinet cu bilă din oțel inoxidabil din 3 piese, cu pas total, pentru industria chimică, industria petrochimică, instalații hidraulice, incalzire, distributie apa si aer comprimat. Set garnituri din PTFE si FKM, garnitură bilă din PTFE umplut cu sticlă 15%. Potrivit pentru zone cu risc de explozie. Permite montarea unui actuator datorită suportului ISO 5211.
UTILIZARE :
• Industrii chimice, industrii petrochimice, instalatii hidraulice, incalzire, distributia apei, aer comprimat
• Temperatură minimă și maximă Ts : -20°C până la + 180°C
• Presiune maximă Ps: 63 bari până la DN3/4", 40 bari de la DN1" la DN2 (vezi graficul in poza)
• Aer comprimat: 10 bar max
• A nu se utiliza cu abur
SPECIFICAȚII :
• Alezaj complet (trecere integrala)
• Tija anti-explozie
• Set garnituri din PTFE
• Suport ISO 5211
• Dispozitiv de blocare
• Dispozitiv antistatic
• ATEX
CONEXIUNE :
• NPT filet interior (mamă/mamă)
STANDARDE :
• Producător certificat ISO 9001:2015
• Certificat 3.1 la cerere
• Atex • ISO 5211 pentru suportul de montaj • Alte certificari la cerere



INSTALARE SI INTRETINERE :
Instructiuni de instalare si intretinere robineti cu bila din 3 piese







Actionari pneumatice Double Acting, SIL3, ATEX
Actionare electrica 230V AC, 24V AC/DC, 12V DC
Actionare electrica Quarter-turn 230V AC, 24V AC/DC
Actionari Pneumatice